Máy Bơm Màng ARO 666120-344-C – Hiệu Suất Vượt Trội, Chống Ăn Mòn Tốt
Bơm màng Aro 666120-344-C666120-344- là model bơm màng khí nén cỡ trung của thương hiệu ARO (Ingersoll Rand – Mỹ), thiết kế dành riêng cho môi trường cần bơm hóa chất ăn mòn, chất lỏng có độ nhớt cao hoặc yêu cầu vệ sinh nghiêm ngặt. Với màng và bi Teflon (PTFE) cùng thân nhôm chắc chắn, đây là thiết bị chuyên dụng trong ngành hóa chất, sơn – mực, xử lý nước thải, thực phẩm, mỹ phẩm và dược phẩm.
1. Thông Số Kỹ Thuật Máy Bơm Màng ARO 666120-344-C
| Thông Số | Chi Tiết |
| Model | 666120-344-C |
| Thương hiệu | ARO (Ingersoll Rand) |
| Xuất xứ | USA (Hoa Kỳ) |
| Chất liệu thân bơm | Nhôm |
| Chất liệu màng & bi | Teflon (PTFE) |
| Chất liệu đế bơm | Nhựa PP |
| Lưu lượng tối đa | 35 GPM (133 LPM) |
| Áp lực làm việc tối đa | 120 psi (8.3 bar) |
| Kích thước đầu hút/xả | 1″ BSP (25 mm) |
| Đường kính tối đa hạt hút | 0.125 inch (3.2 mm) |
| Trọng lượng | 8.6 kg |
| Cơ chế vận hành | Màng đôi – khí nén |
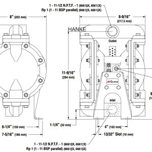
2. Kích thước máy bơm aro 666120-344-C dòng 1″
Bản vẽ kỹ thuật bơm màng khí nén ARO 1 inch với kích thước chi tiết: chiều cao 318 mm, chiều rộng 203 mm, cổng hút/xả 1 inch, đầu cấp khí nén 1/4 inch – phù hợp cho lắp đặt trong nhiều hệ thống công nghiệp.

3. Cấu Tạo Máy Bơm Màng ARO 666120-344-C
Máy gồm các bộ phận chính:
Thân bơm bằng nhôm: Cứng, nhẹ, chịu lực tốt, chống va đập.
Màng Teflon: Đàn hồi tốt, không phản ứng hóa học, thích hợp với môi trường khắc nghiệt.
Bi Teflon: Chịu ăn mòn – vận hành trơn tru, độ bền cao.
Đế nhựa PP: Cách ly hóa chất hiệu quả.


4. Phụ tùng thay thế cho bơm màng ARO 666120-344-C
Dưới đây là các phụ tùng thay thế cho bơm màng Aro
Bảng Phụ Tùng Thay Thế Cho ARO 666120-344-C
| Item | Mô tả (EN) | Mô tả (VI) | Part No. | Vật liệu |
| 1 | Rod | Trục bơm | 98724-1 | Thép không gỉ |
| 2 | “O” Ring (3/32” x 3/4” o.d.) | Vòng đệm O-ring (đk ngoài 3/4″, tiết diện 3/32″) | Y328-14 | PTFE (Teflon) |
| 4 | “O” Ring (2)
11/16” o.d. |
Vòng đệm O-ring (đk ngoài 11/16″) | Y328-112 | PTFE (Teflon) |
| 5 | Plate | Miếng nẹp | 93441-2 | Thép |
| 7 | Diaphragm | Màng bơm | 93459-4 / 92973-B | Buna (Nitrile) |
| 19 | “O” Ring (4)
2-1/8” o.d. |
Vòng đệm O-ring đường kính ngoài 1-5/16″ | 93282 | PTFE (Teflon) |
| 21 | Seat | Đế bi | 94707-1 | Polypropylene (PP) |
| 22 | Ball | Bi bơm | 93278-4 | PTFE (Teflon) |
| 24 | Washer (13/32” i.d.) | 93360-1 | Thép không gỉ | |
| 25 | Bolt (3/8” – 16 x 1-1/2”) | Y6-67-T | Thép không gỉ | |
| 26 | Bolt (3/8” – 16 x 2-1/4”) | Bu lông (3/8” – 16 x 2-1/4”) | Y6-610-T | Thép không gỉ |
| 27 | Bolt (5/16” – 18 x 4-1/2”) | Bu long (5/16” – 18 x 4-1/2”) | Y6-518-T | Thép không gỉ |
| 28 | Washer (5/16” i.d.) | Vòng đệm | 93359-1 | Thép không gỉ |
| 29 | Nut (5/16” – 18) | Đai ốc | 93886 | Thép không gỉ |
| 33 | “O” Ring (x)
1-5/8” o.d. |
Vòng đệm O-ring đường kính ngoài 1-5/8″ | 93281 | PTFE (Teflon) |
Liên hệ HANKE để kiểm tra giá và tình trạng phụ tùng sẵn có TẠI ĐÂY
>>>> HANKE cung cấp dịch vụ sửa chữa toàn diện cho mọi dòng máy bơm màng khí nén trên thị trường, đồng thời cung cấp đầy đủ phụ tùng thay thế chính hãng cho tất cả các dòng máy bơm khí nén.

5. Video giới thiệu bơm màng Aro 666120-344-C
6. Hiệu suất bơm màng Aro 666120-344-C (BSP)

Bơm màng ARO 666120-344-C đạt lưu lượng tối đa khoảng 133 Lít/phút. Ở áp suất khí nén tối đa 8.3 bar, cột áp xả có thể lên tới hơn 60 mét, trong khi ở mức 2,8 bar, cột áp đạt khoảng 20 mét. Đường cong NPSHr cho thấy bơm có khả năng hút chất lỏng ổn định, phù hợp bơm nước và chất lỏng có độ nhớt thấp ở nhiệt độ môi trường.
7. Ứng Dụng Chi Tiết Theo Ngành & Chất Bơm
| Ngành Công Nghiệp | Chất Bơm Ứng Dụng |
| Hóa chất – xử lý nước | HCl, H2SO4, NaOH, clo, PAC, polymer, chất tẩy, nước thải |
| Sơn – in – keo – mực | Sơn gốc nước, sơn dầu, mực in công nghiệp, keo UV, dung môi |
| Dược phẩm – mỹ phẩm | Cồn, glycerin, kem nền, nước rửa tay, serum, dung dịch sát khuẩn |
| Thực phẩm | Nước đường, siro, dầu thực vật, nước ép, phụ gia thực phẩm |
| Xử lý môi trường | Hóa chất trung hòa, nước thải có chất ăn mòn, bùn lỏng nhẹ |

8. Ưu điểm vượt trội của máy bơm màng khí nén
Những điểm mạnh giúp sản phẩm ARO 666120-344-C trở thành lựa chọn hàng đầu của nhiều kỹ sư và doanh nghiệp.
Không dùng điện phần động cơ: An toàn tuyệt đối trong môi trường dễ cháy nổ.
Kháng hóa chất : Nhờ màng và bi làm từ PTFE – vật liệu chuyên dụng chống ăn mòn.
Chạy khô được: Không gây hỏng màng nếu bơm khô.
Hiệu suất ổn định: Van khí không kẹt, lưu lượng đều, áp lực tốt.
Bảo trì dễ dàng: Thay thế nhanh, có sẵn phụ tùng.
Độ bền cao: Làm việc liên tục trong môi trường công nghiệp nặng.
Vận hành êm, ít rung, không gây ồn lớn.
9. Các Dòng Máy ARO tương đương
ARO 6661A3-3EB-C Thân nhựa PP, giá cao hơn, màng Santo, phù hợp chất ăn mòn
ARO 6661A3-344-C Thân nhựa PP, giá cao, màng teflon , phù hợp chất ăn mòn cao
ARO 666120-344-C Cùng chất liệu màng PTFE, thân nhôm – chống ăn mòn
ARO 666120-3EB-C Cùng chất liệu màng Santo , thân nhôm – giá rẻ hơn,
10. Các dòng máy bơm màng có sẵn tại Hanke
Dòng máy bơm màng ARO là Top thương hiệu hàng đầu về bơm màng khí nén , với thiết kế công nghiệp, thân khung cứng cáp, máy hoạt động ổn định bền bỉ theo thời gian, linh kiện màng bơm dễ thay thế. Bên cạnh đó, Hanke còn cung cấp đa dạng các dòng máy bơm màng khí nén chính hãng từ những thương hiệu uy tín hàng đầu thế giới. Khách hàng có thể dễ dàng lựa chọn dòng sản phẩm phù hợp với nhu cầu sử dụng trong nhiều lĩnh vực khác nhau. Dưới đây là các danh mục bơm màng đang có sẵn tại Hanke:
>>>> Danh mục Máy bơm màng Husky
>>>> Danh mục máy bơm màng Aro
>>>> Danh mục Máy bơm màng Wilden
>>>> Danh mục Máy bơm màng Godo
HANKE nhập khẩu và phân phối các loại máy bơm màng khí nén ARO Mỹ, bơm định lượng, bơm thùng phuy, bơm bánh răng, bơm ly tâm thực phẩm, bơm trục vít, phụ kiện bơm màng, màng bơm…
Cần thêm thông tin về máy bơm cũng như tư vấn về kỹ thuật xin vui lòng liên hệ để được tư vấn và báo giá bơm màng rẻ nhất nhất!
Liên hệ tư vấn & báo giá
Sales contact: 0386 422 379
Hotline: 0905 04 07 09
Email: info@hanke.com.vn
Website: https://hanke.com.vn/








