Bơm màng Aro 666270-144-C Thân nhôm, Cổng hút xả 2 inch
Máy bơm màng ARO 666270-144-C là dòng sản phẩm bơm màng khí nén của hãng Aro – Ingersoll Rand (USA). Thân bơm được làm từ hợp kim nhôm có khả năng chịu hóa chất tốt, màng Teflon với độ bền cao, lưu lượng tối đa lên tới 651 lít/phút. Máy aro với giá thành tốt và hiệu suất hoạt động, chất lượng, sử dụng nhiều trong các ngành công nghiệp hệ thống xử lý nước thải bơm vào hệ thống ép bùn khung bản, bơm bùn thải trong các nhà máy hóa chất, bơm mực, cao su, dung môi, xăng dầu…
1. Thông số chi tiết bơm màng Aro 666270-144-C
| Thông số | Giá trị |
| Model | 666270‑144‑C |
| Nhà sản xuất | ARO – Ingersoll Rand (USA) |
| Vật liệu thân máy / vỏ ướt (fluid‑wetted parts) | Nhôm (Aluminum) |
| Vật liệu màng bơm (Diaphragm) | PTFE (Teflon) |
| Vật liệu bi / đế bi (Ball & Seat) | Bi: PTFE; Đế bi / ghế bi (Seat): Nhôm |
| Lưu lượng tối đa | ~ 651 LPM (≈ 172 GPM) |
| Đầu hút / đầu đẩy (cổng vào / ra) | 2″ (BSP / PT) |
| Áp suất khí nén tối đa | 8.3 bar (≈ 120 psi) |
| Khả năng hút khô tối đa (dry suction lift) | ~ 8.3 m |
| Kích thước hạt rắn tối đa có thể đi qua | ~ 6.4 mm |
| Trọng lượng | ~ 29.5‑29.6 kg |
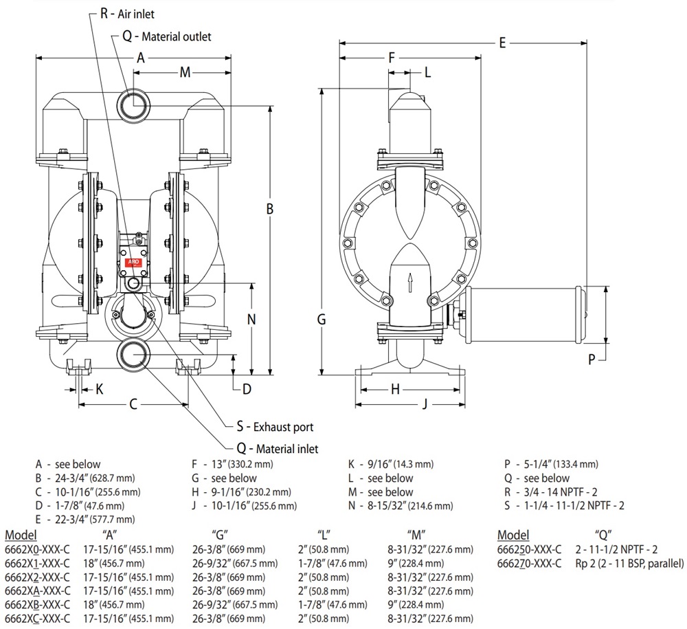
2. Kích thước bơm màng Aro 2 inch, Thân nhôm 666270-144-C
Bản vẽ kỹ thuật bơm màng khí nén ARO 2 inch với kích thước chi tiết: chiều cao 669 mm, chiều rộng 455 mm, cổng hút/xả 2 inch, đầu cấp khí nén 3/4 inch – phù hợp cho lắp đặt trong nhiều hệ thống công nghiệp.

3. Cấu tạo máy bơm màng Aro 666270-144-C
Thân bơm: Được làm từ vật liệu nhôm chịu được nhiệt độ và môi chất ăn mòn tốt, sử dụng để tạo ra sức ép và chuyển động màng.
Màng bơm: Được làm từ teflon, một vật liệu chịu hóa chất tốt và có khả năng chống ăn mòn. Màng này nằm giữa hai bề mặt chia của bơm và nó nén và giãn nở để tạo áp lực và chuyển chất lỏng hoặc khí. Độ đàn hồi không tốt nên thường được back-up thêm màng santo hoặc cao su để tăng tính đàn hồi cho màng Teflon, cho ra lưu lượng bơm tốt.
Bi, đế bi: Được làm bằng vật liệu teflon thường được sử dụng trong các van kiểm soát của bơm để kiểm soát dòng chất lỏng hoặc khí. Bi teflon cũng được làm từ teflon để đảm bảo tính chất chịu hóa chất và chống ăn mòn. Sử dụng giống như dòng van 1 chiều cho môi chất đi qua 1 hướng và ngăn không cho chảy ngược lại.


4. Phụ tùng thay thế cho bơm màng Aro 666270-144-C
Dưới đây là các phụ tùng thay thế cho bơm màng Aro 666270-144-C
| Item | MÔ TẢ (EN) | MÔ TẢ (VI) | PART NO. | Vật liệu |
| 1 | Rod | Trục bơm | 96394 | Thép carbon (C) |
| 2 | “O” Ring (3/32” x 1” o.d.) | Vòng đệm | Y330-117 | Nitrile – cao su NBR |
| 5 | Washer (air side) | Miếng nẹp | 96503 | Nhôm |
| 6 | Washer (fl uid side) | Miếng nẹp | 96503 | Nhôm |
| 7 | Diaphragm | Màng bơm | 96392-T | Nhựa PTFE (Teflon) |
| 8 | Diaphragm | Màng bơm | 96393-A | Nhựa Santoprene (TPV) |
| 9 | Washer (0.630″ I.D.) | Vòng đệm | 93065 | Thép không gỉ |
| 14 | Screw (5/8″ – 18 × 1-1/2″) | Bu lông | Y5-111-T | Thép không gỉ |
| 15 | Fluid Cap | Ốp trụ | 96377 | Aluminum ( Nhôm) |
| 19 | “O” Ring (1/8” x 3-5/8” o.d.) | Vòng đệm Oring | Y328-237 | Nhựa PTFE (Teflon) |
| 21 | Seat | Đế bi | 95673 | Aluminum ( Nhôm) |
| 22 | Ball | Bi bơm | 93358-4 | Nhựa PTFE (Teflon) |
| 26 | Screw (M10 x 1.5 – 6g x 34 mm) | Bu lông | 94409-1 | Thép carbon (C) |
| 27 | Screw (M10 x 1.5 – 6g x 45 mm) | Bu lông | 94990-1 | Thép carbon (C) |
| 43 | Ground Lug | Tiếp địa | 93004 | Đồng |
| 60 | Manifold, Inlet (bottom) | Cổng hút (dưới) | 96376-2 | Aluminum ( Nhôm) |
| 61 | Manifold, Outlet (top) | Cổng xả (trên) | 96375-2 | Aluminum ( Nhôm) |
>>>> Tìm kiếm phụ tùng thay thế cho bơm màng Aro: TẠI ĐÂY
>>>> HANKE cung cấp dịch vụ sửa chữa toàn diện cho mọi dòng máy bơm màng khí nén trên thị trường, đồng thời cung cấp đầy đủ phụ tùng thay thế chính hãng cho tất cả các dòng máy bơm khí nén.

5. Video review bơm màng Aro 666270-144-C
6. Hiệu xuất máy bơm màng 2 inch Aro 666270-144-C
Biểu đồ trên minh họa đặc tính hoạt động của bơm màng khí nén ARO 666270-144-C khi bơm nước ở nhiệt độ môi trường. Tại các mức áp suất khí nén từ 2.8 đến 8.3 bar, có thể quan sát sự thay đổi về lưu lượng (Flow rate), cột áp (Total discharge head), mức tiêu thụ khí nén (Air consumption). Đồng thời, đường cong NPSHr cho biết yêu cầu về chiều cao hút tối thiểu để đảm bảo bơm vận hành ổn định và liên tục.

7. Ứng dụng bơm màng khí nén Aro 2 inch
Bơm màng khí nén ARO 666270-144-C là một lựa chọn phổ biến cho nhiều ứng dụng khác nhau, bao gồm:
Ngành Hóa Chất
Bơm axit, bazơ, dung môi hữu cơ, các chất lỏng có tính ăn mòn cao.
Đặc biệt phù hợp với môi trường đòi hỏi tính an toàn, kháng hóa chất cao nhờ màng PTFE và bi PTFE.
Ngành Sơn – Mực In – Keo
Bơm sơn, mực, dung môi sơn, keo đặc, chất kết dính có độ nhớt cao.
Thiết kế cổng hút/xả 2” cho lưu lượng lớn, giảm thời gian chờ đợi trong sản xuất.
Ngành Xử Lý Nước – Môi Trường
Bơm bùn, nước thải, hóa chất xử lý nước như clo, phèn, PAC…
Khả năng hút khô đến 8.3m giúp dễ dàng bơm chất lỏng từ bể chứa hoặc thùng phuy.
Ngành Dược Phẩm – Mỹ Phẩm
Vận chuyển các dung dịch mỹ phẩm, kem, gel, hoặc chất lỏng yêu cầu an toàn hóa học cao.
Màng PTFE đảm bảo không thôi nhiễm, không phản ứng với sản phẩm.
Ngành Thực Phẩm
Bơm các loại nước sốt, dầu thực vật, dung dịch có chứa hạt rắn nhỏ.
An toàn, dễ vệ sinh, không bị ảnh hưởng bởi độ nhớt của sản phẩm.

8. Ưu điểm vượt trội của máy bơm màng Aro 666270-144-C
Ưu điểm nổi bật nhất của bơm màng khí nén Aro 666270-144-C Chất liệu màng, bi, đế bằng teflon ứng dụng bơm được nhiều dung dich hóa chất có tính ăn mòn.
Bên cạnh đó còn còn có có các ưu điểm vượt trội khác như là:
- Bơm có khả năng tự hút nguyên liệu không cần mồi.
- Máy hoạt động bằng năng lượng khí nén, sử dụng an toàn trong các môi trường làm việc dễ cháy nổ.
- Bơm có khả năng chạy khô, không bị hỏng khi tắc đầu xả.
- Cấu tạo máy bơm màng đơn giản, thuận tiện lắp đặt và sử dụng bảo dưỡng, dễ dàng sửa chữa.
- Lưu lượng, áp suất điều chỉnh dễ dàng bằng khí nén, có thể dừng/khởi động tự động khi quá áp.
- Giá thành hợp lý
9. Các dòng máy bơm tương đương
Ngoài model ARO 666270-144-C, khách hàng cũng có thể tham khảo thêm các mã máy bơm tương đương có ứng dụng và hiệu suất gần tương đương khác dưới đây:
ARO 666270‑EEB‑C: Có cùng thiết kế,phiên bản tối ưu giá thành với thiết kế màng bơm , bi bơm bằng Santo







