Máy bơm màng Husky D72966 dòng 1 inch thân Nhựa chính hãng tại HANKE
Bơm màng Husky 1040 Part D72966 là dòng máy bơm màng của hãng Graco Husky (USA), với khả năng bơm hút mạnh mẽ các loại nguyên liệu như chất lỏng, sơn nhớt dính, bùn thải có chứa hạt rắn…Tại Hanke, chúng tôi phân phối bơm màng khí nén Husky chính hãng, CO, CQ đầy đủ vs giá thành hợp lý.
1. Thông số kĩ thuật máy bơm màng khí nén Husky 1040 part D72966
Máy bơm màng khí nén Husky 1040 part D72966 dòng 1 inch do Graco (USA) sản xuất, Máy bơm màng khí nén được thiết kế với vật liệu Polypropylene (PP) cho toàn bộ phần tiếp xúc chất lỏng, mang lại khả năng chống ăn mòn cao và phù hợp với nhiều loại hóa chất.
Màng bơm và bi sử dụng Santoprene giúp tăng độ bền, chống mài mòn và hoạt động ổn định trong môi trường có tính chất khắc nghiệt. Hệ thống O-Ring PTFE đảm bảo độ kín hoàn hảo, giảm rò rỉ và nâng cao tuổi thọ thiết bị.
Máy có kích thước kết nối 1 inch, lưu lượng 50 gpm, phù hợp cho các hệ thống bơm định lượng, bơm hóa chất, xử lý nước và nhiều ứng dụng công nghiệp. Phần trung tâm dùng van khí tiêu chuẩn NPT giúp vận hành ổn định, dễ lắp đặt và bảo trì. Đây là lựa chọn tối ưu cho các ứng dụng yêu cầu độ bền và hiệu suất cao.
| Mô tả | Thông số |
| Nguồn vận hành | Air Operated |
| Yêu cầu chứng nhận | No Certification |
| Vật liệu phần tiếp xúc chất lỏng | Polypropylene |
| Kích thước cổng hút/xả | 1050 – 1 inch, 50 gpm (25mm, 189 lpm) |
| Phần trung tâm | Polypropylene Standard Air Valve (NPT) |
| Kết nối ống | Polypropylene End Flange ANSI/DIN |
| Đế bi (Seats) | Polypropylene |
| Bi (Balls) | Santoprene |
| Màng bơm (Diaphragms) | Santoprene |
| O-Ring manifold | PTFE |
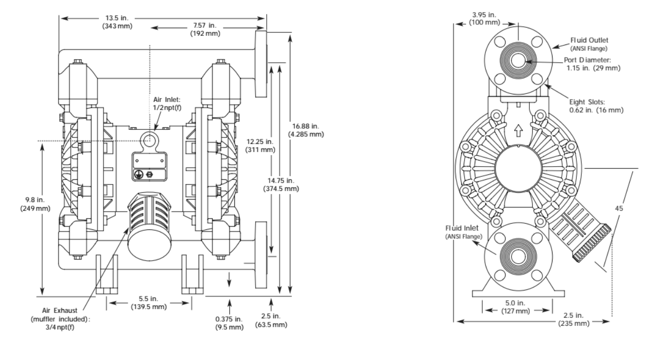
2. Kích thước chi tiết của bơm màng Husky 1040 part D72966
- Máy bơm màng khí nén Husky 1040 được thiết kế với kích thước gọn gàng nhưng chắc chắn, phù hợp cho nhiều không gian lắp đặt khác nhau.
- Máy có chiều cao khoảng 395 – 410 mm, tạo dáng đứng vững chãi; chiều rộng từ 330 – 350 mm giúp máy cân đối, dễ bố trí trong hệ thống đường ống. Phần chiều sâu khoảng 260 – 280 mm giúp tổng thể máy trở nên nhỏ gọn, thuận tiện cho việc thao tác và bảo trì.
- Tùy theo vật liệu cấu tạo như Polypropylene, nhôm hay PVDF, máy có trọng lượng dao động từ 8 – 13 kg, đủ nhẹ để người dùng có thể di chuyển hoặc lắp đặt mà không cần thiết bị hỗ trợ, nhưng vẫn đảm bảo độ bền và sự ổn định trong quá trình vận hành.
- Thiết kế này mang lại cảm giác chắc chắn, hiện đại và tối ưu cho các ứng dụng công nghiệp thực tế.

3. Cấu tạo của bơm màng Husky 1040 part D72966
Máy bơm màng khí nén Husky 515 (Part D52911) có cấu tạo gồm các bộ phận chính sau:
- Thân bơm: Làm bằng nhựa Polypropylene (PP), nhẹ, bền và kháng hóa chất tốt.
- Màng bơm: Chế tạo từ Santoprene, giúp chịu được đàn hồi cao, chịu mài mòn tốt, có độ bền cao, và chịu dầu tốt.
- Bi và đế bi: Làm từ Santoprene, hoạt động như van một chiều, đảm bảo dòng chảy ổn định và ngăn rò rỉ.
- Cụm khí nén: Điều khiển bằng van khí trung tâm, giúp bơm hoạt động êm, ít rung, dễ bảo trì.
- Thiết kế không phớt cơ khí, giảm rò rỉ và phù hợp cho các ứng dụng bơm hóa chất, dung môi hoặc nước thải.

4. Phụ tùng máy bơm màng khí nén Husky 1040 part D72966
Phụ tùng máy bơm màng khí nén Husky 1040 part D72966:
| Part No. | Description | Mô tả | Qty |
|---|---|---|---|
| 188838 | HOUSING, center; aluminum | Thân (vỏ) trung tâm; nhôm | 1 |
| 188854 | COVER, air valve; aluminum | Nắp van khí; nhôm | 1 |
| 116344 | SCREW, mach, hex flange hd; M5 × 0.8; 12 mm (0.47 in.) | Vít máy, đầu lục giác có bích; M5 × 0.8; dài 12 mm (0.47 in.) | 9 |
| 188618 | GASKET, cover; foam | Gioăng nắp; mút xốp | 1 |
| 188855 | CARRIAGE; aluminum | Giá đỡ; nhôm | 1 |
| 108730 | O-RING; nitrile | Vòng đệm O-ring; cao su nitrile (NBR) | 1 |
| 188616 | BLOCK, air valve; acetal | Khối van khí; acetal | 1 |
| 188612 | PISTON, actuator; acetal | Pít-tông truyền động; acetal | 2 |
| 188613 | BEARING, piston; acetal | Bạc đạn pít-tông; acetal | 2 |
| 104765 | PLUG, pipe; headless | Nút ren ống; không đầu | 2 |
| 115671 | FITTING, connector; male | Đầu nối; ren ngoài | 2 |
| 189376 | COVER, fluid; polypropylene | Nắp chất lỏng; polypropylene (PP) | 2 |
| 189370 | MANIFOLD, inlet; polypropylene | Cụm góp đầu vào; polypropylene (PP) | 1 |
| 189373 | MANIFOLD, outlet; polypropylene | Cụm góp đầu ra; polypropylene (PP) | 1 |
| 188607 | PLATE, air side; alum. | Tấm phía khí; nhôm | 2 |
| 189379 | PLATE, fluid side; polypropylene | Tấm phía chất lỏng; polypropylene (PP) | 2 |
| 112560 | SCREW; M8 × 1.25; 70 mm (2.76 in.); sst | Vít; M8 × 1.25; dài 70 mm (2.76 in.); thép không gỉ (SST) | 12 |
| 188621 | LABEL, warning | Nhãn cảnh báo | 1 |
| 112182 | MUFFLER | Bộ giảm thanh | 1 |
| 112559 | SCREW; M8 × 1.25; 40 mm (1.57 in.); sst | Vít; M8 × 1.25; dài 40 mm (1.57 in.); thép không gỉ (SST) | 12 |
| 193282 | CAP, bolt; SST | Nắp chụp bu-lông; thép không gỉ (SST) | 8 |
| 189722 | SEAT; polypropylene | Đế (seat); polypropylene (PP) | 4 |
| 109205 | O-RING; PTFE | Vòng đệm O-ring; PTFE | 8 |
| 112092 | BALL; Santoprene | Bi Santoprene | 4 |
| Not sold separately | DIAPHRAGM, backup; polychloroprene (CR) | Màng bơm dự phòng; cao su polychloroprene (CR) | 2 |
| 112181 | PACKING, u-cup; nitrile | Phớt chữ U; cao su nitrile (NBR) | 2 |
| 188857 | DIAPHRAGM; Santoprene | Màng bơm; Santoprene | 2 |
>> Tìm kiếm phụ tùng thay thế cho bơm màng Husky: TẠI ĐÂY

>>>> HANKE cung cấp dịch vụ sửa chữa toàn diện cho mọi dòng máy bơm màng khí nén trên thị trường, đồng thời cung cấp đầy đủ phụ tùng thay thế chính hãng cho tất cả các dòng máy bơm khí nén.
5. Video review bơm màng Husky 1040
6. Hiệu suất bơm màng Husky 1040 part D72966
- Máy bơm màng khí nén Husky 1040 được đánh giá là một trong những dòng bơm có hiệu suất cao nhất trong phân khúc nhờ khả năng vận hành mạnh mẽ và ổn định.
- Máy sở hữu lưu lượng bơm lớn lên đến 189 lpm, đáp ứng tốt các nhu cầu bơm liên tục trong môi trường công nghiệp. Với áp suất làm việc tối đa 8.4 bar, thiết bị đảm bảo dòng chảy ổn định và mạnh mẽ ở mọi điều kiện vận hành.
- Một trong những ưu điểm nổi bật của Husky 1040 là độ vận hành êm ái, giảm tiếng ồn tới 40% so với các model tương đương, mang lại sự thoải mái và an toàn khi sử dụng.
- Bên cạnh đó, máy còn tiêu thụ khí nén thấp, giúp doanh nghiệp tiết kiệm năng lượng và chi phí vận hành lâu dài. Husky 1040 có thể xử lý tốt các chất lỏng có độ nhớt cao đến 20.000 cps, hoạt động được ngay cả khi chạy khô mà không gây hư hỏng, đồng thời sở hữu khả năng tự mồi nhanh, hút sâu từ 4 – 5 m, đáp ứng linh hoạt cho nhiều ứng dụng bơm khó trong thực tế. Với những ưu thế vượt trội này,
- Husky 1040 là lựa chọn lý tưởng cho các hệ thống bơm công nghiệp yêu cầu hiệu suất cao và độ bền lâu dài.

7. Ứng dụng của bơm màng Husky 1040 part D72966
Ứng dụng của máy bơm màng khí nén Husky 1040 (Part D72966):
Ngành hóa chất
- Axit loãng – mạnh (HCl, H2SO4, HNO3)
- Kiềm (NaOH, KOH)
- Dung môi trung tính, chất tẩy rửa
- Xút, polymer, PAC, PAM
Ngành xử lý nước và môi trường
- Bơm bùn loãng
- Bơm hóa chất khử trùng, clo, Javen
- Hóa chất điều chỉnh pH
- Bơm nước thải chứa tạp chất
Ngành sơn – mực – keo
- Sơn nước, sơn dầu
- Nhũ tương
- Mực in, mực UV
- Keo công nghiệp, dung môi pha loãng
Ngành thực phẩm – đồ uống
(Khi dùng cấu hình vật liệu an toàn thực phẩm)
- Syrup, hương liệu
- Dầu ăn
- Nước sốt, mật ong có độ nhớt cao
Ngành dầu khí – công nghiệp nặng
- Dầu thải
- Nhiên liệu nhẹ
- Chất bẩn có cặn
- Chất lỏng mài mòn
Ngành gốm – vật liệu xây dựng
- Bột gốm, hồ vữa loãng
- Hóa chất phụ gia bê tông

8. Ưu điểm vượt trội của máy bơm màng khí nén Husky 1040 part D72966
Ưu điểm vượt trội của máy bơm màng khí nén Husky 1040 (Part D72966):
Hiệu suất mạnh mẽ, đáp ứng nhu cầu bơm liên tục
Husky 1040 part D72966 được thiết kế để hoạt động ở cường độ cao, mang lại lưu lượng tối đa lên đến 189 lpm (50 gpm). Nhờ đó, máy đáp ứng tốt các ứng dụng bơm liên tục, vận hành ổn định trong nhiều giờ mà không bị nóng hoặc giảm hiệu suất. Áp suất làm việc tối đa 8.4 bar giúp dòng chảy luôn ổn định ngay cả trong những môi trường yêu cầu áp lực cao.
Vận hành êm ái, giảm tiếng ồn tới 40%
- Một trong những ưu điểm nổi bật nhất của Husky 1040 là độ ồn thấp hơn 40% so với các dòng bơm màng có kích cỡ tương đương. Van khí trung tâm thiết kế một mảnh giảm tối đa hiện tượng kẹt khí, giúp máy chạy mượt, êm và hạn chế rung lắc trong quá trình vận hành.
- Tiêu thụ khí nén thấp – Tiết kiệm chi phí vận hành
- Graco tối ưu thiết kế buồng khí giúp giảm lượng khí nén tiêu thụ, từ đó tiết kiệm đáng kể chi phí vận hành cho doanh nghiệp. Husky 1040 part D72966 phù hợp cho những hệ thống cần vận hành liên tục, giúp giảm tổng chi phí sở hữu (TCO) so với các dòng bơm khác.
Xử lý được chất lỏng có độ nhớt cao
Máy có khả năng bơm các loại chất có độ nhớt lên đến 20.000 cps, bao gồm dầu đặc, bùn loãng, polymer, hóa chất đặc, mực in, keo và nhiều dung dịch có độ dày cao. Đây là ưu điểm lớn mà ít dòng bơm 1 inch nào đạt được.
Có thể chạy khô mà không gây hư hỏng
Điểm nổi bật của dòng bơm màng Graco là khả năng chạy khô hoàn toàn mà không làm hỏng màng hoặc bi. Điều này giúp giảm nguy cơ hư hại trong trường hợp hết chất lỏng, đồng thời phù hợp cho những hệ thống bơm yêu cầu mồi tự động hoặc bơm gián đoạn.
Khả năng tự mồi tốt, hút sâu 4 – 5 mét
Husky 1040 part D72966 có thể tự mồi nhanh và hút sâu từ 4 – 5 m, rất phù hợp cho các ứng dụng hút bể chứa, hút từ thùng phuy, bồn IBC hoặc bể ngầm.
Vật liệu cao cấp, chống hóa chất vượt trội
- Thân bơm Polypropylene (PP): chống ăn mòn, chịu hóa chất tốt
- Màng Santoprene hoặc PTFE: tuổi thọ cao, chịu hóa chất mạnh
- Bi Santoprene/Acetal: kín, ổn định, chống mài mòn
- O-ring PTFE: chịu dung môi mạnh, chống rò rỉ hoàn hảo
- Những vật liệu này giúp máy hoạt động an toàn trong môi trường hóa chất, xử lý nước thải, sơn – mực và nhiều ứng dụng đặc thù.
Thiết kế nhỏ gọn nhưng chắc chắn
Với chiều cao khoảng 395 – 410 mm, rộng 330 – 350 mm, sâu 260 – 280 mm và trọng lượng 8 – 13 kg, máy dễ dàng lắp đặt trong hệ thống đường ống hoặc mang đi bảo trì. Thiết kế nhỏ gọn giúp tiết kiệm không gian nhưng vẫn đảm bảo sự bền bỉ, ổn định trong quá trình vận hành.
Độ bền cao, ít hỏng vặt, dễ bảo trì
Van khí trung tâm một mảnh giúp giảm tối đa lỗi kẹt khí – nguyên nhân phổ biến gây dừng máy ở các dòng khác. Cấu trúc đơn giản, dễ tháo lắp giúp quá trình bảo trì nhanh chóng và tiết kiệm thời gian.
9. Các dòng máy bơm thuộc Series 1040 Plastic Pumps – Husky

10. Các dòng máy bơm màng có sẵn tại Hanke
Dòng máy bơm màng HUSKY là Top thương hiệu hàng đầu về bơm màng khí nén , với thiết kế công nghiệp, thân khung cứng cáp, máy hoạt động ổn định bền bỉ theo thời gian, linh kiện màng bơm dễ thay thế. Bên cạnh đó, Hanke còn cung cấp đa dạng các dòng máy bơm màng khí nén chính hãng từ những thương hiệu uy tín hàng đầu thế giới. Khách hàng có thể dễ dàng lựa chọn dòng sản phẩm phù hợp với nhu cầu sử dụng trong nhiều lĩnh vực khác nhau. Dưới đây là các danh mục bơm màng đang có sẵn tại Hanke:
>>>> Danh mục Máy bơm màng Husky
>>>> Danh mục máy bơm màng Aro
>>>> Danh mục Máy bơm màng Wilden
>>>> Danh mục Máy bơm màng Godo
HANKE nhập khẩu và phân phối các loại máy bơm màng khí nén GRACO HUSKY (Mỹ), bơm định lượng, bơm thùng phuy, bơm bánh răng, bơm ly tâm thực phẩm, bơm trục vít, phụ kiện bơm màng, màng bơm…
Cần thêm thông tin về máy bơm cũng như tư vấn về kỹ thuật xin vui lòng liên hệ để được tư vấn và báo giá bơm màng rẻ nhất nhất!
Liên hệ tư vấn & báo giá
Hotline: 0905 04 07 09
Email: info@hanke.com.vn
Website: https://hanke.com.vn/











